
| 产品型号 | DJ-TUZ16 |
| 信号输出 | NPN常开+PNP常开;NPN常闭+PNP常开;NPN常开+PNP常闭;NPN常闭+PNP常闭,4选一*1 |
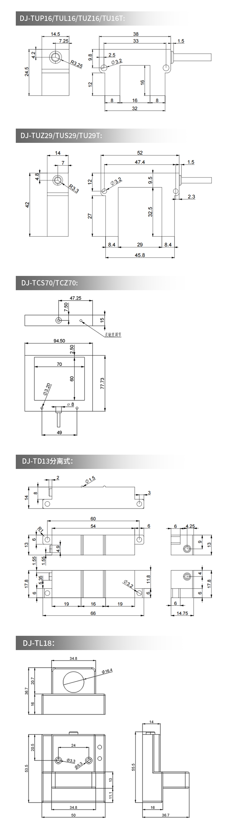
| 检测范围 | 16*16mm |
| 检测对象 | 液滴和液柱 |
| 响应时间 | 1ms |
| 耗电流(平均) | 15mA*3 |
| 外形 | U型 |
| 检测精度 | 2mm |
| 灵敏度调节 | 不可调 |
| 盲区范围 | 检测范围内无盲区 |
| 检测方式 | 对射红外光幕 |
| 光源 | 红外940nm |
| 电源电压 | 4-24V |
| 保护电路 | 电源反向连接保护、输出短路保护 |
| 环境照明度 | 受光面照明度白炽灯:3,000Lux以下、太阳光:10,00Lux以下 |
| 周围温度 | 动作时:-25~+55℃、保存时:-40~+70℃ (不结冰·结露) |
| 周围湿度 | 动作时:35~85%RH、保存时:35~95%RH (不结露) |
| 防护结构 | IP65(特殊应用场合可做IP67) |
| 绝缘电阻 | 20MΩ以上(DC500V兆欧表) |
| 耐压 | AC1,000V 50/60Hz 1min |
| 振动(耐久) | 10~55Hz 复振幅1.5mmX、Y、Z各方向 2h |
| 冲击(耐久) | 500m/s2X、Y、Z各方向 3次 |
| 保护结构 | 塑料外壳 |
| 连接方式 | 直接电缆2m |
| 备注 | 1、一些特殊行业计数检测有突出表现,如能识别水滴尾巴,不至于误判。对于电解电容等带插脚的元器件也能智能过滤不误判。2、*1:出厂默认输出:NPN常开+PNP常开,其它输出订货时说明。3、*3:该数值是以24V供电测试值。功率不变,耗电流根据电压不同而不同,电压高耗电流就低。 |



关注微信号,惊喜等你来
x